公司简介
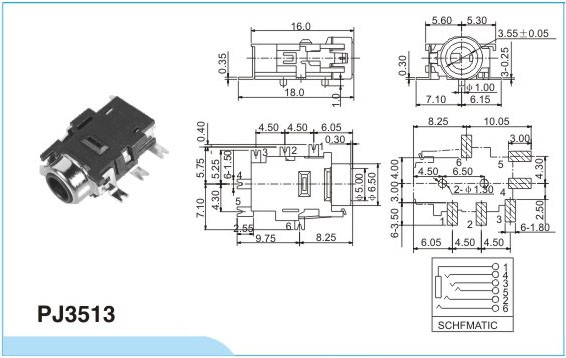
 3.5(SMT)耳机插座系列 >> PJ-3513
     
 
康旭电子
PJ-3513
 : 3.5(SMT)耳机插座系列
 
  点击次数:281  发布时间:2013-03-21 【打印】 【返回