公司简介
 DC电源插座系列 >> DC-044T
     
 
康旭电子
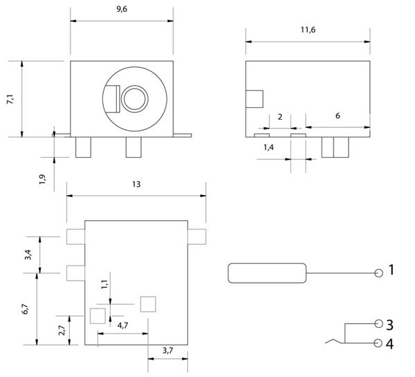
DC-044T
 : DC电源插座系列
 

  点击次数:  发布时间:2010-12-07 【打印】 【返回