公司简介
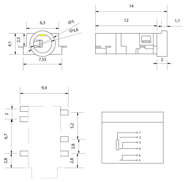
 3.5(SMT)耳机插座系列 >> PJ-342C
     
 
康旭电子
PJ-342C
 : 3.5(SMT)耳机插座系列
 
产品说明:
 

  点击次数:792  发布时间:2010-12-07 【打印】 【返回